威高减速机专业生产:齿轮减速机|蜗轮蜗杆减速机|摆线针轮减速机|斜齿轮减速机|行星减速机|圆柱齿轮减速机。杭州四海光纤网络有限公司@版权所有
进入中文版 ENGLISH
产品分类
新闻动态

• 售后服务

• 如何选用理想减速机

• 蜗轮蜗杆减速机常见问题分析

• 减速机故障排除方法

• 减速机基础知识

联系我们

联系人: 中国威高减速机
电话: 057187870681
E-mail: 1429492016@qq.com
地址: 中国温州平阳县鳌江镇工业园区【中国减速机之乡】

产品展示

滚子联轴器(GB6069-85)

滚子联轴器(GB6069-85)
产品名称:滚子联轴器(GB6069-85)
产品编号:
详细说明:
 

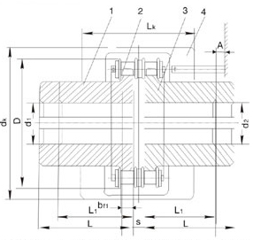
标记示例

例1:GL7型滚子联轴器

主动端:J1型孔,B型键槽 d1=45mm,L1=84mm

从动端:J1型孔,B1型键槽 d2=50mm ,L1=84mm

GL7联轴器

J1B45×84/J1B150×84=GB6069-85

例2:GL3型滚子链轴,有罩壳

主动端:J1型孔,B型键槽 d1=25mm,L1=44mm

从动端:J1型孔,B1型键槽 d2=25mm ,L1=44mm

G13F联轴器J125×44 GB6069-85

←[上一个产品:] [下一个产品:]→

相关产品:
WPW蜗轮减速机

WPW蜗轮减速机
YPG系列变频辊道三相异步电动机

YPG系列变频辊道三相异步电动机
MBY系列磨机减速机

MBY系列磨机减速机
CJS型塑料挤出机

CJS型塑料挤出机
HJY星轮减速机

HJY星轮减速机
NGW-QJ型行星齿轮减速器

NGW-QJ型行星齿轮减速器
ZSC(D)型立式圆柱齿轮减速器

ZSC(D)型立式圆柱齿轮减速器
三环减速机系列

三环减速机系列